21. 직경 20cm의 소화용 호스에 물이 392 N/s 흐른다. 이 때의 평균유속(m/s)은?
1) 2.96
2) 4.34
3) 3.68
4) 1.27
답: 4
유량이 N/s 단위이다. 당황할 것 없다.
F = ma 뉴턴의 제2법칙 가속도의 법칙이다. 여기서는 a에 중력가속도를 대입한 것이다. g = 9.81$m/s^2$ 이므로
392N/s를 중력가속도 g로 나눠주면 392/9.81 = 39.96kg/s 이다.
여기서 물의 밀도를 이용해 유량을 나눠준다.
$39.96kg/s$ ÷ $1000kg/m^3$ = $0.04m^3/s$
부피유량을 구했으므로 관의 단면적으로 나눠주면 유속을 알 수 있다.
단면적 = $\frac{\pi }{4}(0.2m)^2$ = $0.0314m^2$
유량 ÷ 단면적 = $0.04m^3/s$ ÷ $0.0314m^2$ = 1.273m/s
22. 수은이 채워진 U자관에 수은보다 비중이 작은 어떤 액체를 넣었다. 액체기둥의 높이가 10cm, 수은과 액체의 자유 표면의 높이 차이가 6cm일 때 이 액체의 비중은? (단, 수은의 비중은 13.6 이다.)
1) 5.44
2) 8.16
3) 9.63
4) 10.88
답: 1
문제를 그림으로 표현하면 아래와 같다.

왼쪽의 하늘색 액체가 비중값을 모르는 액체이고 회색이 수은이다.
유체정역학에 따라 '같은 높이에서 작용하는 압력이 같다' 라는 법칙을 이용하면 된다.

오른쪽 수은 기둥의 압력 = $13600kg/m^3$×0.04m×$9.8m/s^2$ = 5331.2Pa ------(1)
왼쪽 액체 기둥의 압력 = $\rho $×0.1m×$9.8m/s^2$ ------(2)
(1) = (2) 값이 같으므로
$\rho $ 값을 구하면
\rho = $5440kg/m^3$
비중을 물어보고 있으므로 물의 밀도로 나눠주면
5440 ÷ 1000 = 5.44
23. 수압기에서 피스톤의 반지름이 각각 20cm와 10cm이다. 작은 피스톤에 19.6N의 힘을 가하는 경우 평형을 이루기 위해 큰 피스톤에는 몇 N의 하중을 가하여야 하는가?
1) 4.9
2) 9.8
3) 68.4
4) 78.4
답: 4
파스칼의 원리를 이용해 해결하는 문제이다.
위 문제를 그림으로 표현하면 다음과 같다.

작은 피스톤 쪽에 19.6N의 힘을 가할때 평형을 이루려면 큰 피스톤 쪽에는 몇 N의 힘이 필요한지를 묻는 것이다.
파스칼의 원리에 따라 모든 부분에서 가해지는 '압력'은 같으므로
$P_1$ = 19.6N ÷ $\frac{\pi }{4}(0.1m)^2$ = 2495.55Pa
$P_2$ = X ÷ \frac{\pi }{4}(0.2m)^2
$P_1 = P_2$ 이므로
X = 78.4N
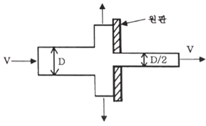
24. 그림과 같이 중앙부분에 구멍이 뚫린 원판에 지름 D의 원형 물제트가 대기압 상태에서 V의 속도로 충돌하여 원판 뒤로 지름 D/2의 원형 물제트가 V의 속도로 홀러나가고 있을 때, 이 원판이 받는 힘을 구하는 계산식으로 옳은 것은? (단, ρ는 물의 밀도이다.)

1) $\frac{3}{16}\pi \rho V^2D^2$
2) $\frac{3}{8}\pi \rho V^2D^2$
3) $\frac{3}{4}\pi \rho V^2D^2$
4) $3\pi \rho V^2D^2$
답: 1
지름 D의 원형 물제트가 V의 속도로 고정된 판에 부딪힐때 가해지는 힘 공식은 다음과 같다.
P = $\rho V^2 \frac{\pi }{4}D^2$
이 문제에서는 원판에 구멍이 뚫려있고 그 구멍으로 물제트가 나가게 된다.
그러면 처음 물제트(직경 D)가 원판에 가하는 힘 공식 - 나중 물제트(직경D/2)가 원판에 가하는 힘 공식
으로 계산하면 된다.
$P_1 = \rho V^2 \frac{\pi }{4}D^2$
$P_2 = \rho V^2 \frac{\pi }{4}(\frac{D}{2})^2$
$P_1 - P_2 = \frac{3}{16}\pi \rho V^2D^2$
25. 압력 0.1MPa, 온도 250℃ 상태인 물의 엔탈피가 2974.33 kJ/kg이고 비체적은 2.40604$m^3/kg$이다. 이 상태에서 물의 내부에너지(kJ/kg)는 얼마인가?
1) 2733.7
2) 2974.1
3) 3214.9
4) 3582.7
답: 1
엔탈피와 내부에너지의 관계를 알아야 한다.
H = U + PV
문제에서는 엔탈피값과 압력, 온도, 비체적이 주어졌다.
비체적과 압력을 곱하면 단위를 kJ/kg로 만들 수 있다.
H = 2974.33 kJ/kg
PV = 0.1MPa × 2.40604$m^3/kg$ = 240.604kJ/kg
U = H - PV = 2974.33 - 240.604 = 2733.726kJ/kg
'자격증' 카테고리의 다른 글
| 한국산업인력공단 2021년 3회 필기 공조냉동기계기사 필기 합격후기 (0) | 2021.08.14 |
|---|---|
| 제2류 위험물 - 황화린 3가지 (0) | 2021.08.14 |
| 2021년 2회 소방설비기사(기계) 기출문제 해설 - 16번,17번,18번,19번,20번 (0) | 2021.08.12 |
| 르샤틀리에 공식 (폭발범위 계산 공식) (0) | 2021.08.11 |
| 2021년 2회 소방설비기사(기계) 기출문제 해설 - 11번,12번,13번,14번,15번 (0) | 2021.08.10 |
댓글